
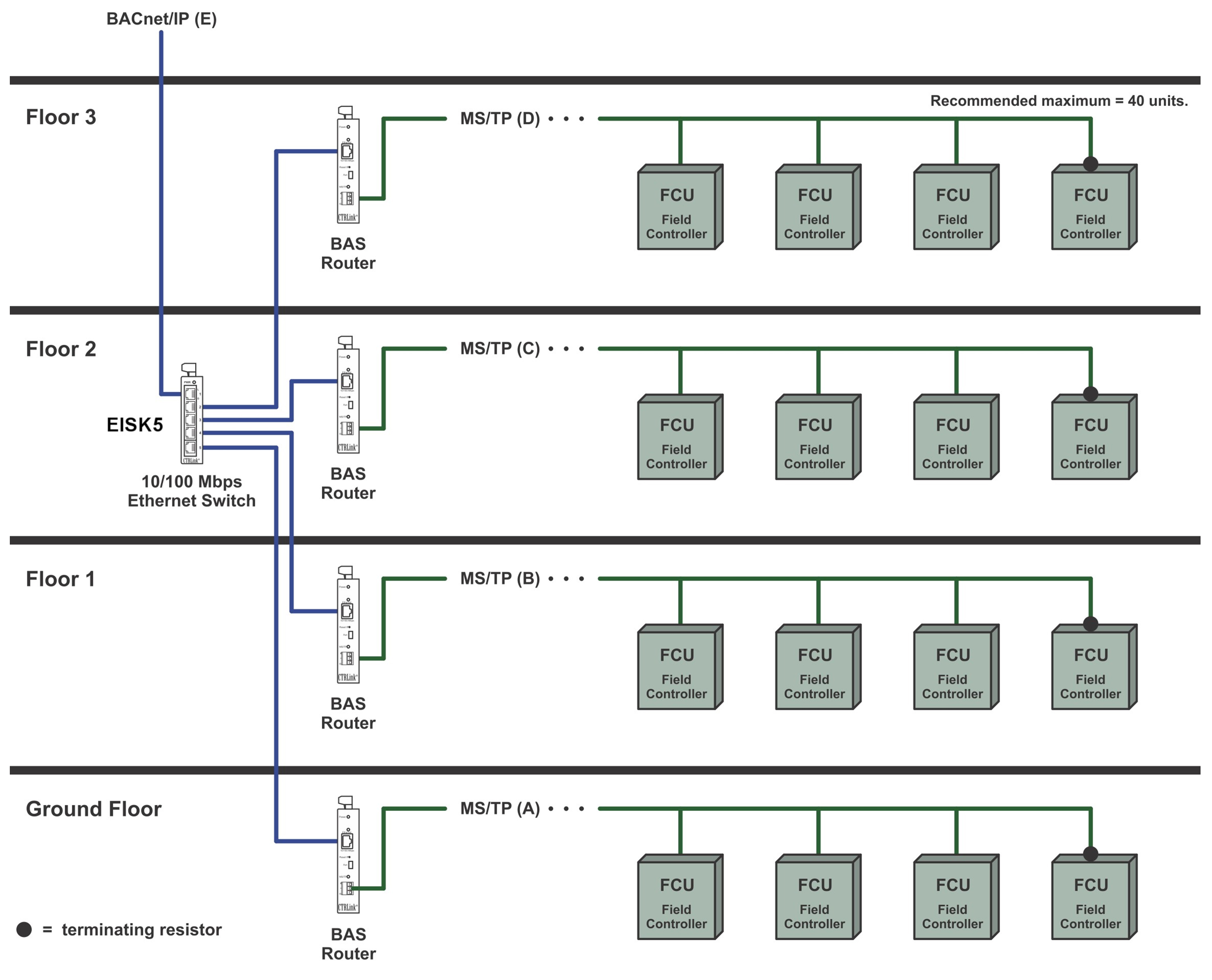
A typical HVAC installation in a multi-story building often utilizes multiple Fan Coil Units (FCU) or Variable-Air-Volume (VAV) terminal units which are installed in the ceiling on each floor. These units frequently contain BACnet MS/TP controllers that are installed across floors and connected via a shared EIA-485 bus. A large number of devices on the same bus over several floors with concealed wiring makes troubleshooting much more difficult. Adding EIA-485 repeaters compounds the problem.
The following example utilizes a dedicated BASrouter on each floor that connects all the control units. This approach eliminates the need for inter-floor EIA-485 wiring, reduces traffic on each MS/TP segment, and simplifies troubleshooting.

The maximum number of MS/TP devices on each segment is often arbitrary. Assuming that half-load EIA-485 transceivers exist on the field controllers, a reasonable limit would be about 40.
Refer to our BASrouter Application Guide for more details on how to connect control devices on multiple floors and for more examples that explain how our BASrouters can be configured to solve a particular need.
Contemporary Controls provides three models of BACnet routers — the BASrouter, Portable BASrouter and the BASrouterSX. Our Skorpion Ethernet switches provide a simple, cost-effective method of expanding Ethernet networks. A variety of models are available with copper and copper/fiber ports.